Material: ASTM A216 WCB, ASTM A351 CF8,ASTM A351 CF8M, ASTM A351 CF3,ASTM A351 CF3M, ASTM A352 LCB, ASTM A217 WC6 and ASTM A217 WC9
Bolted cover, swing type disc
Size: 1/2' -40'
Pressure: 150LB, 300LB, 600LB,900LB and 1500LB
Design and manufacture: ANSI B16.34
Face to face dimension: ANSI B16.10
Flange end: ANSI B16.5
Butt welded: ANSI B16.25
Test and inspection: API 598
The prime functin of a check valve is to protect mechanical equipment in a piping system by preventing reversal of flow by the fluid which means the check valve is an automatic valve with forward flow and close againgst reverse flow. The closure member of swing check valve swings about a hinge, which is which is mounted outside the seat.
Standards:API 6D, BS1868, ASME B16.34, ASME B16.5, ASME B16.25, ASME B16.10, MSS SP25

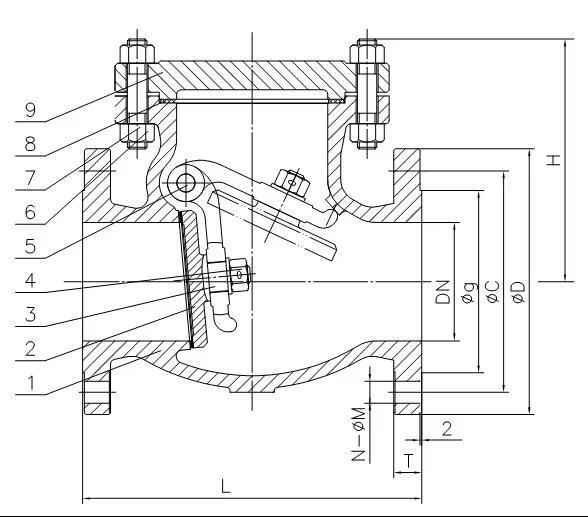
| Number |
Name |
Material |
| 1 |
Body |
WCB welding 13Cr |
| 2 |
Disc |
WCB welding 13Cr |
| 3 |
Hinge |
WCB |
| 4 |
Nut |
304 SS |
| 5 |
Hinge Pin |
304 SS |
| 6 |
Nut |
304 SS |
| 7 |
Stud |
304 SS |
| 8 |
Gasket |
304 SS + Graphite |
| 9 |
Bonnet |
WCB |
If you want to know more details, please send an email to us to solidvalves@aliyun.com. |
|