Material: ASTM A216 WCB, ASTM A351 CF8,ASTM A351 CF8M, ASTM A351 CF3,ASTM A351 CF3M, ASTM A352 LCB, ASTM A217 WC6 and ASTM A217 WC9
cubierta atornillada, disco tipo oscilante
Tamaño: 1/2' -40'
Presión: 150LB, 300LB, 600LB,900LB and 1500LB
Diseño y fabricación: ANSI B16.34
Dimensión cara a cara: ANSI B16.10
final brida : ANSI B16.5
Soldadura a tope: ANSI B16.25
Prueba e inspección: API 598
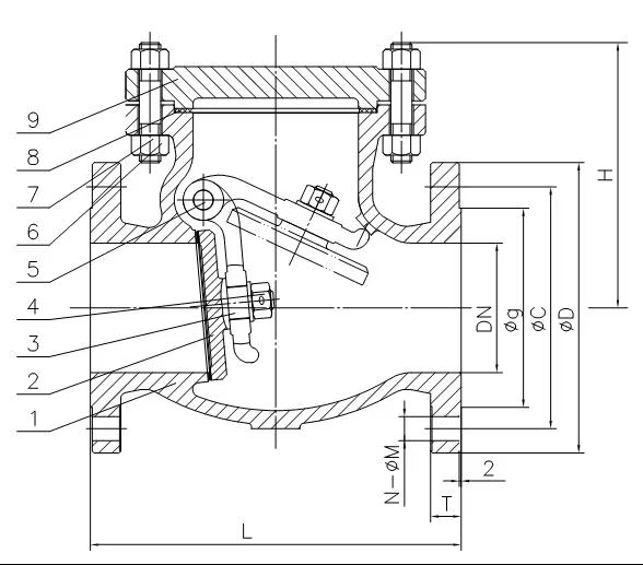
La función principal de una válvula de retención es proteger el equipo mecánico en un sistema de tuberías mediante la prevención de la reversión del flujo por el fluido, lo que significa que la válvula de retención es una válvula automática con flujo hacia adelante y cierre againgst flujo inverso. El miembro de cierre de la válvula de retención swing oscila sobre una bisagra, que es la que se monta fuera del asiento.
Estándares: API 6D, BS1868, ASME B16.34, ASME B16.5, ASME B16.25, ASME B16.10, MSS SP25

| número |
nombre |
Material Material |
| 1 |
cuerpo |
Soldadura WCB 13Cr |
| 2 |
Disco disco |
Soldadura WCB 13Cr |
| 3 |
bisbisbis |
WCB |
| 4 |
Frutos de hueso |
304 SS |
| 5 |
bisagra |
304 SS |
| 6 |
Frutos de hueso |
304 SS |
| 7 |
Stud |
304 SS |
| 8 |
junta |
304 SS + grafito |
| 9 |
Bonnet |
WCB |
Si quiere saber más detalles, por favor envie un correo electronico a nosotros solidvalves@aliyun.com. |
|